2023_Shude_SummerMiniCamp_走进机器人的世界
(以下是本人在准备树德中学夏令营助教时的资料 PS: Cover:祢豆子可爱捏)
1. 先修知识
基本的英文:在机器人方面,目前基本上没有非常合适的中文教材可以推荐。写得深入浅出的教材大都是国外的,大家必须学会阅读英文教材。这个过程一开始肯定是痛苦的,但是,基本上坚持一个月就会习惯了。
学会使用 VPN。原因同上,基本上有用的资料都需要通过 Goolge 或 Youtube 获取。
线性代数:所有的空间变换、机器人相关计算都依赖于线性代数,甚至需要有一些基本的「线性空间」思维。对于线性代数,我首推 Prof. Gilbert Strang 的《Linear Algebra》,在 Youtube 和网易公开课上可以找到视频。这门课一开始就引导大家从空间的角度看待问题,而不只强调如何计算。而且,网易公开课上有中文字幕,对于初学者也还算友好。
微积分:机器人里,所有涉及到导数、积分、优化的地方,都需要用到微积分。所以,这门数学课也是一开始就绕不开的。我没有太好的视频推荐,不妨也看看 Gilbert Strange 的《微积分重点》 (Highlights of Calcul ...
Signals & Systems Projects
Project 1:Matched filtering of Linear Frequency Modulated (LFM) signal 线性调频信号的匹配滤波
FFT function
Parameters:
sampling time: TTT
sampling rate: fsf_sfs
$total\ dots: N = T \times f $
frequency index: △f=fsN\triangle f = \frac{f_s}{N}△f=Nfs
original index: NNN (same as 3.)
Generating Original Waves
s(t)=rect(t10×10−6)ej2π(2×1012t2)s(t) = rect(\frac{t}{10 \times 10^{-6}})e^{j2 \pi (2 \times 10^{12} t^2)}
s(t)=rect(10×10−6t)ej2π(2×1012t2)
According to the Euler’s formula, we can get:
s(t)=r ...
Notes for Comp_Network
物理层
2.1 数据通信理论基础
2.1.1 傅里叶分析
2.1.2 带限信号的传输
带宽:传输过程中振幅不会明显减弱的频宽,是物理介质的特性,通常取决于介质的构成、厚度、长度等
eg: 802.11无线信道的带宽为20MHz
基带信号:信号的频谱范围包含0Hz,即信号的最低频率为0Hz
通带信号:信号被搬移并占用某个更大频率范围
对带宽的深入理解:模拟信号向数字信号的转变
此为字母b的八位ASCII编码,物理层传输的信号若想完全复原,则只需要前八次谐波分量,后面的谐波可以不要。
分析:假设信道上的比特率为mmmbps, 发送一字节的时间为8m\frac{8}{m}m8s, 因此原信号一次谐波的频率为18m=m8\frac{1}{\frac{8}{m}} = \frac{m}{8}m81=8mHz, 由此可知,若要完全复原信号,信道的带宽至少为m8\frac{m}{8}8mHz
模拟带宽VS数字带宽:领域不同,单位不同:Hz VS bps
2.1.3 信道最大传输速率
香农定理:信道的最大数据传输速率CCC与信道的带宽BBB和信噪比S/NS/NS/N有关,C=B×l ...
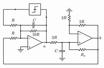
关于振荡电路
天坑!!!!!!
明月湖二三事
学院派创业者面临的挑战
Where is the Challenge?
创业死亡谷
探索期:产品定义风险:伪需求,小众市场,技术不成熟
天使期:量产风险
成长期:you are safe.
成熟期:you are safe.
资金需求
省流:会被骗
目标导向
学术评价体系不明朗,高效团队思想不纯
资源获取
学校不给力,学术界不给力,社会不给力
人生DDL
升学压力、工作压力、家庭压力
创业起点的二选一
独立闭环 or 创投模式
What is INNOVATION?
模式创新
盈利模式创新
网络资源整合创新
组织结构创新
跨部门协同的工作
流程创新
体验创新
服务创新
渠道创新
品牌创新
受众明确
用户交互创新
产品创新
产品表现创新
Spotify的无缝音乐流
产品生态创新
iPhone给用户创造什么价值;PikaBoost Ebike Conversion Kit;扫地机器人:问题边界的再定义
What is DESIGN THINKING?
硬科技创新 VS 软科技创新
设计思维的本质
思维方式:用以人为本的角度重新定义问题
方法论&工具:
特征:以人为本、偏 ...
校史馆的二三事
校史馆解说词(2023 年 3 月)
欢迎大家来到电子科技大学校史馆。下面由我给大家介绍一下电子科技大学从建校至今 60 多年来的发展历程。整个校史馆共 432 个平方米,由三个厅组成。整个展览有五个组成部分,它们是:亲切关怀、殷切希望;建校初期,艰苦创业;文革十年、历经磨难;改革开放,盛世华章;新的世纪,新的跨越。
现在让我们进入第一个部分:亲切关怀、殷切希望。建校六十多年以来,学校的每一步发展都得到了党和国家领导人的亲切关怀和殷切希望。
亲切关怀 殷切期望
这是江泽民同志在担任电子工业部部长期间视察我校的情况。 旁边的这幅字: “努力培养电子科技人才,为我国社会主义现代化建设服务”是他担任中共 中央总书记时,于 1991 年为我校建校 35 周年专门题写的题词。
这一面墙是历届党和国家领导人视察我校的情况。从建校初期到七十年代, 老一辈党和国家领导人聂荣臻同志、张爱萍同志、王震同志等都先后来校参观或视察。
(王震)这张照片上最左边的这位是当时学校的党委书记庄玉铭,最右边是当时的校长王甲纲。
(上世纪八九十年代,赵紫阳同志、李鹏同志、李铁映同志、朱光亚同志、彭佩云同志、宋平同志、聂 ...
关于DNN,DP,EKF,Fourier Operator,Koopman Operator
英文缩写解释
英文缩写
英文解释
中文解释
DNN
Deep Neural Network
深度神经网络
DP
Deep Learning
深度学习
EKF
Extended Kalman Filter
扩展卡尔曼滤波器
FO
Fourier Operator
傅里叶算子
KO
Koopman Operator
库普曼算子
>
卡尔曼滤波器
自适应滤波器的概念
滤波器在实现滤波、平滑或者预测等任务时,能够自动跟踪和适应系统或环境的动态变化,就需要滤波器的参数可以随着时间做简单的变化或更新,用地推的方式实现,这样的滤波器称为自适应滤波器。
匹配滤波与Wiener滤波
连续时间的滤波器有两种最优设计准则:
匹配滤波:滤波器的输出达到最大的信噪比
Wiener滤波:输出滤波器的均方估计误差最小
匹配滤波
理论推导
考虑观测信号:$$y(t)=s(t)+n(t)$$
s(t)s(t)s(t)为已知信号,n(t)n(t)n(t)为零均值的加性平稳噪声(白色或有色)
白噪声(white noise)是指功率谱密度在整个频域内是常数的噪声。 所有频率具有相同 ...
OneOS 启物 v1.2 开发板的Wifi模块开发
一 IAR 开发环境搭建
不得不说,Mindmotion这家公司是真的令人迷惑,v1.0.6的固件包只有F3270,v1.0.5的固件包我能找到的只有F3273G和3273E系列,根本没有F3277的影子,所以果断弃之用IAR。
二 亿些使用中的问题
ESP8266无法连接WiFi
因为自己的手机热点没有把AP band调成2.4GHz
《互联网设计与演化》阅读笔记
从因特网到交际
沙漏模型
还是第一次看见这样子描述因特网的。
因特网的基本通信模型
两大部分:地址(who+where)+传输协议(what+how+when)
尽力而为 or 补偿
网络将其收到的,要传送的数据尽力传送到目的节点,但不保证数据率、传输延迟、丢包率
“尽力而为”并不是很好,因为有服务总比没有服务好。我们可以舍弃一些获取将就的数据传输业务
路由器的ROLE
实现包的“跳传”
应用不可知:路由等设备不关心我的应用本身是什么,应用遵循着相同的通信协议,网络设备只需要遵从协议收发。
应用不可知的实现方式是:路由器不提供具体应用服务,而是根据包头转发数据包
深度数据包检查:路由器试图窥视数据包里的内容,总而改变他们的行为
跟踪、记忆
关于“状态”
定义:设备基于存储的信息来处于不同的状态,这些信息可以反映过于发生过的事情(和SS中的因果系统/记忆性系统很像)。
对于路由器,如果不记录其转发日志,则被视为无记忆的/无状态的
端节点上的应用支撑:数据包乱传怎么办
因特网协议中运行在基本因特网服务之上的传输服务,试图监测校正错误。——TCP的由来
服务内容:Sender将数据给TC ...
Hi3861开发板使用与第六届全国大学生嵌入式竞赛海思赛道
参考资料
海思技术论坛注册:https://developer.hisilicon.com/forum/all
嵌入式物联网学习资料总入口:https://developer.hisilicon.com/postDetail?tid=0206112614830760003
海思技术论坛https://developer.hisilicon.com/forum/all
2023海思嵌入式大赛学习文档仓库Gitee:https://gitee.com/HiSpark/HiSpark_NICU2023
HUAWEI_Cloud与Android Studio开发联动:https://blog.csdn.net/weixin_43351158/article/details/124476656
工程结构分析
工程目录
123456789.└── applications └── sample └── wifi-iot └── app │── my_first_app //业务my_first_app文件夹 ...














